Gönderen Konu: ÇOK BANDLI DDS VFO Projesi...  (Okunma sayısı 65409 defa)

Çevrimdışı TA3ALS

Ynt: ÇOK BANDLI DDS VFO Projesi...
« Yanıtla #60 : 11 Mart 2015, 12:54:14 »
Ahmet bey, Mehmet Beyin tecrübeleri derken http://www.telsizciler.org/index.php/topic,32433.msg102752.html#msg102752 mesajını kastetmiştim.

Çevrimdışı TA7R

Ynt: ÇOK BANDLI DDS VFO Projesi...
« Yanıtla #61 : 11 Mart 2015, 15:08:37 »
Pardon hocam , ben de direnç mi bobin mi konusunda yazdıklarım için anlamıştım. 73 ..

Çevrimdışı TB5X_SK

Ynt: ÇOK BANDLI DDS VFO Projesi...
« Yanıtla #62 : 11 Mart 2015, 16:48:00 »
Arkadaşlar;

Sanırım şemalar karıştı ben söyle bi açıklık getireyim:

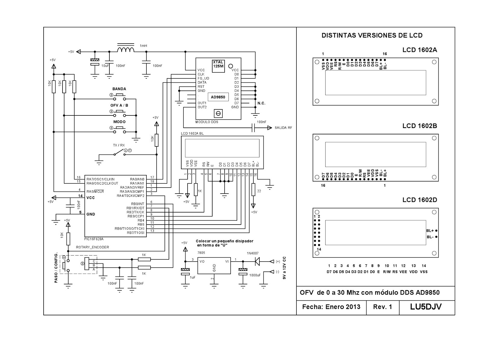
Bu çok bandlının şemasında DDS modülün altındaki bobinin değeri verilmemişti.

İlk projedeki şemayı ben o yüzden örnek verdim. orada bobinin değeri 1mH olarak okunuyor..
yani bu alttaki şema daha önceki projeye ait:


Bu çok bantlı devrenin şeması ise şu:



TB5X
QTH : Niğde LOC : KM77hx | http://www.mehmetdivili.com

Çevrimdışı TA3ALS

Ynt: ÇOK BANDLI DDS VFO Projesi...
« Yanıtla #63 : 11 Mart 2015, 16:52:36 »
Mehmet Bey, teşekkürler. O bobin şok bobini. Besleme yoluyla cihazın diğer katlarına RF sızmasın diye konmuş.100mikrohenri de olsa, 1milihenri de olsa iş görecektir.
Selamlar...

Çevrimdışı TA3IHD

Ynt: ÇOK BANDLI DDS VFO Projesi...
« Yanıtla #64 : 13 Mart 2015, 12:31:51 »
Nevzat bey, ben bu devreden yapıp denedim. Hatta ilk denememde kontrolsuz osilasyonlar üretti. Hatta evdeki tv yi dahi etkiledi. Sonra farkettimki 12V ve 5V kaynaklarına 1000uf 500uf kondansatörleri unuttuğumu gördüm. Onları takınca osilasyon kesildi. Besleme girişi 1mili henri wattlı bobin gerekiyor. (Wattlı Çünki ad9850 bayağı akım çekiyor. Entegre 70- 80dereceye ısınıyor. ) bobin kontrolsuz osolasyonları önlüyor. Aslında mono band vfo için uygun devre. Ayrıca vfo freksansını ben 1-2 mhz lerde tutuyorum. Yani shift - yapıyorum. O zaman sinyal genliği 1V un üstünde oluyor. Bence güzel ve çok stabil bir devre. Hex ve pcb hazır hatasız ve eksiksiz. 73

Çevrimdışı TB5X_SK

Ynt: ÇOK BANDLI DDS VFO Projesi...
« Yanıtla #65 : 13 Mart 2015, 18:39:20 »
Ben bu devreyi yapmış birisi olarak görüşümü sorarsanız;

Devre kullanışlı değil.

Çünkü daha önce de belirttiğim gibi;

Çalışma Prensibi şu sekilde:

Önce ilk açılışta hangi banda geçerseniz geçin ekranda 98.küsür bir frekans çıkıyor.
Enkoderi kullanarak bandlara göre frekansları ayarlıyorsunuz. (80m 3.777 mhz, 40 m 7.092 vb gibi)
Bandın üst ve alt sınırı belirlenmiş değil.. Yani cihaz örneğin 80 m bandında iken 0-30 mhz arası her yeri gezebiliyorsunuz.

Butonlardan eğer 80M bandına geçerseniz, entegrenin o bacağından +5v alıyorsunuz ama frekansı sizin enkoderi kullanarak 3.777 Mhz lere indirmeniz gerekiyor.

Yani ekranda 40m bandı yazarken de siz encoderi çevirerek 3.777Mhz yani 80 m bandına kadar inebiliyorsunuz.
Buna rağmen hala 40m çıkışından +5v almaya devam ediyorsunuz.
Ne zaman band butonuna tıklayıp 80m ye geçerseniz o zaman +5v ucu değişiyor..

Yani bir başka deyişle frekansı gezerek band geçişi yapamıyorsunuz...

Son bırakılan frekans hafızada korunuyor.
Tekrar bandları dolaşıp aynı banda gelince en son bıraktığınız frekans ekranda çıkıyor..


Şimdi hex kodlamaya göre
160
80
40
30
20
17
15
12
10
metre olmak üzere 8 band var. butona her tıkladığınızda diğer banda geçiyor.
40 m bandında 80 m ye geçmek için sırayla 30, 20, 17, 15, 12, 10, 160 metre bandlarını dolaşmanız gerekiyor.

Yapacak arkadaşlar bu bilgileri göz önüne alarak işe girişirlerse boşa yorulmamış olurlar.

Bilgilendireyim dedim..

73
TB5X
QTH : Niğde LOC : KM77hx | http://www.mehmetdivili.com

Çevrimdışı TA7BB

Ynt: ÇOK BANDLI DDS VFO Projesi...
« Yanıtla #66 : 12 Ekim 2019, 22:24:07 »
merhaba.
konuyu yeniden hortlatayım.
lu5djv dds hex i ksldırmış. downlod ta hata veriyor.
daha önce bu dds hex ini alan arkadaş varsa paylaşabilirmi.
kolay gelsin

Çevrimdışı TA8AT

Ynt: ÇOK BANDLI DDS VFO Projesi...
« Yanıtla #67 : 13 Ekim 2019, 06:49:17 »
Mobil sd kartımdan yükledim. Bir hata varsa lütfen söyleyin pc de tüm dosyaları var gönderebilirim.
I LOVE İCOM

Çevrimdışı TA7BB

Ynt: ÇOK BANDLI DDS VFO Projesi...
« Yanıtla #68 : 13 Ekim 2019, 20:28:36 »
merhaba.
teşekkür ederim onur bey bu kadarı kafi.
rksik olmayın.
73